
概述:
CX2919AC是一款集成 USB Type-C、USB Power Delivery(PD)2.0/3.0 以及 PPS、QC3.0+/QC3.0/QC2.0 快充协议、华为 FCP/SCP/HVSCP 快充协议、三星 AFC 快充协议、BC1.2 DCP 以及苹果设备 2.4A 充电规范的多功能 USB Type-C 和 Type-A 双端口控制器。
CX2919AC内置的 Type-C 协议可以支持 Type-C 设备插入自动唤醒,智能识别插头的正插与反插,并实现连接。 集成的 PD 协议支持双向标记编码(BMC),集成硬件的物理层协议和协议引擎,无需软件参与编解码。 当 Type-C 和 Type-A 其中一个端口接入设备时,Type-C 或 Type-A 端口都可以实现独立的快充功能。
当 Type-C 和 Type-A 都接入设备时, 会将输出电压降至 5V 给设备供电。特别的,当 Type-A 口一直连接苹果充电线但未接入苹果手机时,Type-C 口仍然有快充功能。作为充电器应用时,充电线会经常与充电器连接在一起。 完美解决了 Type-A 和 Type-C 口连接充电线应用时的快充难题。此外,Type-A 口充饱关断电流阈值低至 10mA,可支持智能穿戴设备小电流充电。
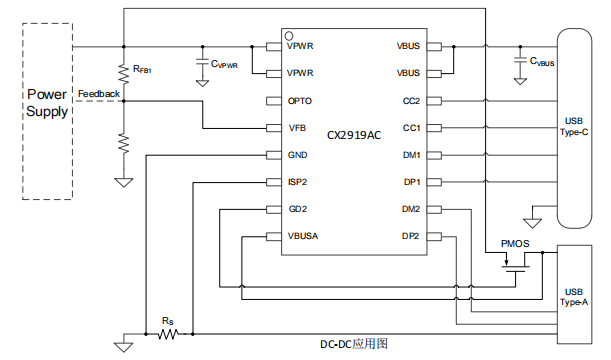
CX2919AC通过一路可 Sink/Source 的电流源,连接到 AC-DC 或 DC-DC 的反馈引脚实现动态调节电压。不管是启动还是调压过程,都具备软启动功能,实现电压平顺过渡。
CX2919AC内建多种保护机制确保设备安全:包括动态过压/欠压/过流保护(可根据设备请求的工作电压/电流按照比例调整保护点);启动监测(VBUS 输出前会监测端口电压是否处于安全状态)。
CX2919AC集成 10mΩ VBUS 功率开关管,集成 10 mΩ 电流检测电阻,内置 VPWR 和
VBUS 双放电通路,节省了外围器件,发生错误时可以快速关闭输出并恢复到安全状态。
CX2919AC采用 TSSOP16 封装,外围简洁,很容易通过 USB PD 认证测试。
特性:
支持 USB Type -C 协议
- 配置为 DFP(Source) - 广播 3A/1.5A 电流
支持 USB Power Delivery(PD)2.0 和 3.0
以及 PPS 协议
- 集成完整 PD 分层通信协议
- PDO 可配置:5V,9V,12V,15V,20V
- 输出功率高至 65W
- APDO 可配置:5V Prog,9V Prog,15V
Prog,20V Prog
支持 Quick Charge 3.0+/3.0/2.0 协议
- 支持小米 CHARGE TURBO 27W 协议
支持华为 FCP/SCP/HVSCP 协议
支持三星 AFC 协议
支持 USB BC1.2 DCP
支持 Apple 2.4A 充电规范
集成恒压(CV)环路控制
集成 10mΩ VBUS 通路功率开关管
集成 10mΩ电流检测电阻
内置 VPWR 和 VBUS 双放电通路
支持线损补偿功能
支持 USB Type-A 和 Type-C 双口工作模式
- 独立工作都有快充,同时工作回 5V
- A 口连接苹果充电线但未接入苹果手机时,
C 口仍然有快充
A 口充饱关断电流阈值 10mA,小电流充电
安全性
- 过压/欠压保护
- 过流保护
- 过温保护
CC1/CC2/DP1/DM1/DP2/DM2 过压保护
ESD 特性± 4KV
Package: TSSOP-16
应用:
AC-DC 适配器
USB 充电设备


